Wanting more information about MBY? Contact us now! Tell us your need and we will contact with you within 24 hours.
We can provide you with customized services for the entire process, starting from raw materials, including forging, annealing, turning, heat treatment and grinding.
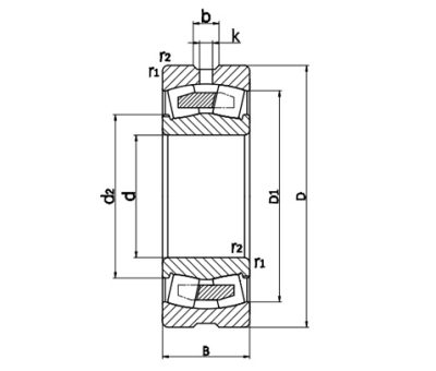
The integral machined brass cage and reinforced symmetrical rollers are adopted for CA Type Spherical Roller Bearing.It can be replaced by CC products.
Notice: The company’s products are still being uploaded. If you can’t find what you’re looking for, please feel free to submit a request form directly.
| Bearing number | Principal dimensions(mm) | Basic load ratingskN | Fatigue load limit Pu | Speed ratingsr/min | Weight | Dimensionsmm | Abutment and fillet dimensions mm | Calculation Factors | |||||||||||||||
|---|---|---|---|---|---|---|---|---|---|---|---|---|---|---|---|---|---|---|---|---|---|---|---|
| Cylindrical bore | Tapered bore | d | D | B | C | Co | Speed Ratings | Limiting speed | d | d2 ~ | D1 ~ | b | k | r1,2 Min | da Min | Da Max | ra max | e | Y1 | Y2 | Y0 | ||
| 23860CAMA | 23860CAKMA | 300 | 380 | 60 | 656 | 1600 | 137 | 1400 | 1700 | 16.5 | 300 | 329 | 358 | – | – | 2.1 | 311 | 369 | 2 | 0.13 | 5.2 | 7.7 | 5 |
| 23268CA/W33 | 23268CAK/W33 | 340 | 620 | 224 | 5100 | 7800 | 550 | 560 | 800 | 295 | 340 | 426 | 528 | 22.3 | 12 | 6 | 366 | 594 | 5 | 0.35 | 1.9 | 2.9 | 1.8 |
| 22272CA/W33 | 22272CAK/W33 | 360 | 650 | 170 | 4300 | 6200 | 440 | 630 | 850 | 255 | 360 | 453 | 568 | 22.3 | 12 | 6 | 386 | 624 | 5 | 0.26 | 2.6 | 3.9 | 2.5 |
| 23272CA/W33 | 23272CAK/W33 | 360 | 650 | 232 | 5400 | 8300 | 570 | 530 | 750 | 335 | 360 | 447 | 552 | 22.3 | 12 | 6 | 386 | 624 | 5 | 0.35 | 1.9 | 2.9 | 1.8 |
| 23176CA/W33 | 23176CAK/W33 | 380 | 620 | 194 | 4400 | 7100 | 500 | 560 | 1000 | 230 | 380 | 452 | 541 | 22.3 | 12 | 5 | 400 | 600 | 4 | 0.3 | 2.3 | 3.4 | 2.2 |
| 24176CA/W33 | 24176CAK30/W33 | 380 | 620 | 243 | 5700 | 9800 | 710 | 480 | 850 | 300 | 380 | 442 | 532 | 16.7 | 9 | 5 | 400 | 600 | 4 | 0.37 | 1.8 | 2.7 | 1.8 |
| 23276CA/W33 | 23276CAK/W33 | 380 | 680 | 240 | 5850 | 9150 | 620 | 500 | 750 | 375 | 380 | 471 | 581 | 22.3 | 12 | 6 | 406 | 654 | 5 | 0.35 | 1.9 | 2.9 | 1.8 |
| 23180CA/W33 | 23180CAK/W33 | 400 | 650 | 200 | 4650 | 7650 | 530 | 530 | 950 | 265 | 400 | 474 | 566 | 22.3 | 12 | 6 | 426 | 624 | 5 | 0.28 | 2.4 | 3.6 | 2.5 |
| 24180CA/W33 | 24180CAK30/W33 | 400 | 650 | 250 | 6200 | 10600 | 735 | 430 | 800 | 340 | 400 | 465 | 559 | 22.3 | 12 | 6 | 426 | 624 | 5 | 0.37 | 1.8 | 2.7 | 1.8 |
| 23280CA/W33 | 23280CAK/W33 | 400 | 720 | 256 | 6550 | 10400 | 680 | 480 | 670 | 450 | 400 | 499 | 615 | 22.3 | 12 | 6 | 426 | 694 | 5 | 0.35 | 1.9 | 2.9 | 1.8 |
| 22380CA/W33 | 22380CAK/W33 | 400 | 820 | 243 | 7500 | 10400 | 670 | 430 | 750 | 650 | 400 | 534 | 697 | 22.3 | 12 | 7.5 | 432 | 788 | 6 | 0.3 | 2.3 | 3.4 | 2.2 |
| 23984CC/W33 | 23984CCK/W33 | 420 | 560 | 106 | 2040 | 4150 | 300 | 1000 | 1100 | 74.5 | 420 | 459 | 520 | 16.7 | 9 | 4 | 435 | 545 | 3 | 0.16 | 4.2 | 6.3 | 4 |
| 23084CA/W33 | 23084CAK/W33 | 420 | 620 | 150 | 3400 | 6000 | 415 | 600 | 1100 | 155 | 420 | 485 | 563 | 22.3 | 12 | 5 | 438 | 602 | 4 | 0.22 | 3 | 4.6 | 2.8 |
| 24184CA/W33 | 24184CAK30/W33 | 420 | 700 | 280 | 7350 | 12600 | 850 | 400 | 700 | 445 | 420 | 494 | 597 | 22.3 | 12 | 6 | 446 | 674 | 5 | 0.4 | 1.7 | 2.5 | 1.6 |
| 23284CA/W33 | 23284CAK/W33 | 420 | 760 | 272 | 7350 | 11600 | 765 | 450 | 630 | 535 | 420 | 525 | 649 | 22.3 | 12 | 7.5 | 452 | 728 | 6 | 0.35 | 1.9 | 2.9 | 1.8 |
| 23088CA/W33 | 23088CAK/W33 | 440 | 650 | 157 | 3650 | 6550 | 450 | 560 | 1000 | 180 | 440 | 509 | 590 | 22.3 | 12 | 6 | 463 | 627 | 5 | 0.22 | 3 | 4.6 | 2.8 |
| Bearing number | Principal dimensions(mm) | Basic load ratingskN | Fatigue load limit Pu | Speed ratingsr/min | Weight | Dimensionsmm | Abutment and fillet dimensions mm | Calculation Factors | |||||||||||||||
|---|---|---|---|---|---|---|---|---|---|---|---|---|---|---|---|---|---|---|---|---|---|---|---|
| Cylindrical bore | Tapered bore | d | D | B | C | Co | Speed Ratings | Limiting speed | d | d2 ~ | D1 ~ | b | k | r1,2 Min | da Min | Da Max | ra max | e | Y1 | Y2 | Y0 | ||
| 24088CA/W33 | 24088CAK30/W33 | 440 | 650 | 212 | 4800 | 9150 | 630 | 500 | 850 | 245 | 440 | 498 | 572 | 22.3 | 12 | 6 | 463 | 627 | 5 | 0.3 | 2.3 | 3.4 | 2.2 |
| 23188CA/W33 | 23188CAK/W33 | 440 | 720 | 226 | 6000 | 10000 | 670 | 450 | 850 | 360 | 440 | 528 | 632 | 22.3 | 12 | 6 | 466 | 694 | 5 | 0.3 | 2.3 | 3.4 | 2.2 |
| 24188CA/W33 | 24188CAK30/W33 | 440 | 720 | 280 | 7500 | 13200 | 900 | 400 | 700 | 460 | 440 | 516 | 618 | 22.3 | 12 | 6 | 466 | 694 | 5 | 0.37 | 1.8 | 2.7 | 1.8 |
| 23288CA/W33 | 23288CAK/W33 | 440 | 790 | 280 | 7800 | 12500 | 800 | 430 | 600 | 590 | 440 | 547 | 676 | 22.3 | 12 | 7.5 | 472 | 758 | 6 | 0.35 | 1.9 | 2.9 | 1.8 |
| 24892CAMA/W20 | 24892CAK30MA/W20 | 460 | 580 | 118 | 1790 | 4900 | 345 | 560 | 1100 | 75.5 | 460 | 505 | 541 | – | 6 | 3 | 473 | 567 | 2.5 | 0.17 | 4 | 5.9 | 4 |
| 23992CA/W33 | 23992CAK/W33 | 460 | 620 | 118 | 2500 | 5000 | 355 | 600 | 1000 | 105 | 460 | 512 | 574 | 16.7 | 9 | 4 | 475 | 605 | 3 | 0.16 | 4.2 | 6.3 | 4 |
| 23092CA/W33 | 23092CAK/W33 | 460 | 680 | 163 | 3900 | 6950 | 465 | 560 | 950 | 205 | 460 | 531 | 617 | 22.3 | 12 | 6 | 483 | 657 | 5 | 0.22 | 3 | 4.6 | 2.8 |
| 24092CA/W33 | 24092CAK30/W33 | 460 | 680 | 218 | 5200 | 10000 | 670 | 480 | 800 | 275 | 460 | 523 | 601 | 22.3 | 12 | 6 | 483 | 657 | 5 | 0.28 | 2.4 | 3.6 | 2.5 |
| 23192CA/W33 | 23192CAK/W33 | 460 | 760 | 240 | 6400 | 10800 | 680 | 430 | 800 | 440 | 460 | 553 | 666 | 22.3 | 12 | 7.5 | 492 | 728 | 6 | 0.3 | 2.3 | 3.4 | 2.2 |
| 24192CA/W33 | 24192CAK30/W33 | 460 | 760 | 300 | 8300 | 14600 | 1000 | 360 | 670 | 560 | 460 | 544 | 649 | 22.3 | 12 | 7.5 | 492 | 728 | 6 | 0.37 | 1.8 | 2.7 | 1.8 |
| 23292CA/W33 | 23292CAK/W33 | 460 | 830 | 296 | 8500 | 13700 | 880 | 400 | 560 | 695 | 460 | 572 | 706 | 22.3 | 12 | 7.5 | 492 | 798 | 6 | 0.35 | 1.9 | 2.9 | 1.8 |
| 23896CAMA/W20 | 23896CAKMA/W20 | 480 | 600 | 90 | 1440 | 3750 | 280 | 530 | 1100 | 61 | 480 | 521 | 566 | – | 7.5 | 3 | 493 | 587 | 2.5 | 0.13 | 5.2 | 7.7 | 5 |
| 23996CA/W33 | 23996CAK/W33 | 480 | 650 | 128 | 2900 | 5700 | 405 | 560 | 1000 | 125 | 480 | 532 | 602 | 16.7 | 9 | 5 | 498 | 632 | 4 | 0.18 | 3.8 | 5.6 | 3.6 |
| 23096CA/W33 | 23096CAK/W33 | 480 | 700 | 165 | 3900 | 6800 | 450 | 530 | 950 | 215 | 480 | 547 | 633 | 22.3 | 12 | 6 | 503 | 677 | 5 | 0.21 | 3.2 | 4.8 | 3.2 |
| 24096CA/W33 | 24096CAK30/W33 | 480 | 700 | 218 | 5300 | 10400 | 695 | 450 | 750 | 285 | 480 | 541 | 619 | 22.3 | 12 | 6 | 503 | 677 | 5 | 0.28 | 2.4 | 3.6 | 2.5 |
| 23196CA/W33 | 23196CAK/W33 | 480 | 790 | 248 | 6950 | 12000 | 780 | 400 | 750 | 485 | 480 | 577 | 692 | 22.3 | 12 | 7.5 | 512 | 758 | 6 | 0.3 | 2.3 | 3.4 | 2.2 |
| Bearing number | Principal dimensions(mm) | Basic load ratingskN | Fatigue load limit Pu | Speed ratingsr/min | Weight | Dimensionsmm | Abutment and fillet dimensions mm | Calculation Factors | |||||||||||||||
|---|---|---|---|---|---|---|---|---|---|---|---|---|---|---|---|---|---|---|---|---|---|---|---|
| Cylindrical bore | Tapered bore | d | D | B | C | Co | Speed Ratings | Limiting speed | d | d2 ~ | D1 ~ | b | k | r1,2 Min | da Min | Da Max | ra max | e | Y1 | Y2 | Y0 | ||
| 24196CA/W33 | 24196CAK30/W33 | 480 | 790 | 308 | 9000 | 15600 | 1040 | 340 | 630 | 605 | 480 | 564 | 678 | 22.3 | 12 | 7.5 | 512 | 758 | 6 | 0.37 | 1.8 | 2.7 | 1.8 |
| 23296CA/W33 | 23296CAK/W33 | 480 | 870 | 310 | 9300 | 15000 | 950 | 380 | 530 | 800 | 480 | 600 | 741 | 22.3 | 12 | 7.5 | 512 | 838 | 6 | 0.35 | 1.9 | 2.9 | 1.8 |
| 238/500CAMA/W20 | 238/500CAKMA/W20 | 500 | 620 | 90 | 1480 | 4000 | 290 | 530 | 1000 | 62 | 500 | 543 | 587 | – | 7.5 | 3 | 513 | 607 | 2.5 | 0.12 | 5.6 | 8.4 | 5.6 |
| 239/500CA/W33 | 239/500CAK/W33 | 500 | 670 | 128 | 2900 | 6000 | 415 | 530 | 950 | 130 | 500 | 557 | 622 | 22.3 | 12 | 5 | 518 | 652 | 4 | 0.17 | 4 | 5.9 | 4 |
| 230/500CA/W33 | 230/500CAK/W33 | 500 | 720 | 167 | 4150 | 7800 | 510 | 500 | 900 | 225 | 500 | 571 | 658 | 22.3 | 12 | 6 | 523 | 697 | 5 | 0.21 | 3.2 | 4.8 | 3.2 |
| 240/500CA/W33 | 240/500CAK30/W33 | 500 | 720 | 218 | 5500 | 11000 | 735 | 430 | 700 | 295 | 500 | 565 | 644 | 22.3 | 12 | 6 | 523 | 697 | 5 | 0.26 | 2.6 | 3.9 | 2.5 |
| 231/500CA/W33 | 231/500CAK/W33 | 500 | 830 | 264 | 7650 | 12900 | 830 | 380 | 700 | 580 | 500 | 603 | 726 | 22.3 | 12 | 7.5 | 532 | 798 | 6 | 0.3 | 2.3 | 3.4 | 2.2 |
| 241/500CA/W33 | 241/500CAK30/W33 | 500 | 830 | 325 | 9800 | 17000 | 1120 | 320 | 600 | 700 | 500 | 589 | 713 | 22.3 | 12 | 7.5 | 532 | 798 | 6 | 0.37 | 1.8 | 2.7 | 1.8 |
| 232/500CA/W33 | 232/500CAK/W33 | 500 | 920 | 336 | 10600 | 17300 | 1060 | 360 | 500 | 985 | 500 | 631 | 779 | 22.3 | 12 | 7.5 | 532 | 888 | 6 | 0.35 | 1.9 | 2.9 | 1.8 |
| 248/530CAMA/W20 | 248/530CAK30MA/W20 | 530 | 650 | 118 | 1840 | 5300 | 380 | 480 | 950 | 86 | 530 | 573 | 612 | – | 7.5 | 3 | 543 | 637 | 2.5 | 0.15 | 4.5 | 6.7 | 4.5 |
| 239/530CA/W33 | 239/530CAK/W33 | 530 | 710 | 136 | 3200 | 6700 | 480 | 500 | 900 | 155 | 530 | 589 | 661 | 22.3 | 12 | 5 | 548 | 692 | 4 | 0.17 | 4 | 5.9 | 4 |
| 230/530CA/W33 | 230/530CAK/W33 | 530 | 780 | 185 | 5100 | 9300 | 630 | 450 | 800 | 310 | 530 | 611 | 710 | 22.3 | 12 | 6 | 553 | 757 | 5 | 0.22 | 3 | 4.6 | 2.8 |
| 240/530CA/W33 | 240/530CAK30/W33 | 530 | 780 | 250 | 6700 | 13200 | 830 | 400 | 670 | 410 | 530 | 600 | 687 | 22.3 | 12 | 6 | 553 | 757 | 5 | 0.28 | 2.4 | 3.6 | 2.5 |
| 231/530CA/W33 | 231/530CAK/W33 | 530 | 870 | 272 | 8150 | 14000 | 915 | 360 | 670 | 645 | 530 | 636 | 763 | 22.3 | 12 | 7.5 | 562 | 838 | 6 | 0.3 | 2.3 | 3.4 | 2.2 |
| 241/530CA/W33 | 241/530CAK30/W33 | 530 | 870 | 335 | 10600 | 19000 | 1220 | 300 | 560 | 830 | 530 | 623 | 748 | 22.3 | 12 | 7.5 | 562 | 838 | 6 | 0.37 | 1.8 | 2.7 | 1.8 |
| 232/530CA/W33 | 232/530CAK/W33 | 530 | 980 | 355 | 11100 | 20400 | 1220 | 300 | 480 | 1200 | 530 | 668 | 836 | 22.3 | 12 | 9.5 | 570 | 940 | 8 | 0.35 | 1.9 | 2.9 | 1.8 |
| Bearing number | Principal dimensions(mm) | Basic load ratingskN | Fatigue load limit Pu | Speed ratingsr/min | Weight | Dimensionsmm | Abutment and fillet dimensions mm | Calculation Factors | |||||||||||||||
|---|---|---|---|---|---|---|---|---|---|---|---|---|---|---|---|---|---|---|---|---|---|---|---|
| Cylindrical bore | Tapered bore | d | D | B | C | Co | Speed Ratings | Limiting speed | d | d2 ~ | D1 ~ | b | k | r1,2 Min | da Min | Da Max | ra max | e | Y1 | Y2 | Y0 | ||
| 239/560CA/W33 | 239/560CAK/W33 | 560 | 750 | 140 | 3450 | 7200 | 510 | 450 | 850 | 175 | 560 | 625 | 697 | 22.3 | 12 | 5 | 578 | 732 | 4 | 0.16 | 4.2 | 6.3 | 4 |
| 230/560CA/W33 | 230/560CAK/W33 | 560 | 820 | 195 | 5600 | 10200 | 680 | 430 | 750 | 355 | 560 | 644 | 746 | 22.3 | 12 | 6 | 583 | 797 | 5 | 0.22 | 3 | 4.6 | 2.8 |
| 240/560CA/W33 | 240/560CAK30/W33 | 560 | 820 | 258 | 7350 | 14600 | 960 | 380 | 630 | 465 | 560 | 635 | 728 | 22.3 | 12 | 6 | 583 | 797 | 5 | 0.28 | 2.4 | 3.6 | 2.5 |
| 231/560CA/W33 | 231/560CAK/W33 | 560 | 920 | 280 | 9150 | 16000 | 980 | 340 | 630 | 740 | 560 | 673 | 809 | 22.3 | 12 | 7.5 | 592 | 888 | 6 | 0.3 | 2.3 | 3.4 | 2.2 |
| 241/560ECJ/W33 | 241/560ECK30J/W33 | 560 | 920 | 355 | 12000 | 21600 | 1340 | 280 | 500 | 985 | 560 | 634 | 796 | 22.3 | 12 | 7.5 | 592 | 888 | 6 | 0.35 | 1.9 | 2.9 | 1.8 |
| 232/560CA/W33 | 232/560CAK/W33 | 560 | 1030 | 365 | 11500 | 22000 | 1400 | 280 | 430 | 1350 | 560 | 704 | 878 | 22.3 | 12 | 9.5 | 600 | 990 | 8 | 0.35 | 1.9 | 2.9 | 1.8 |
| 239/600CA/W33 | 239/600CAK/W33 | 600 | 800 | 150 | 3900 | 8300 | 585 | 430 | 750 | 220 | 600 | 668 | 744 | 22.3 | 12 | 5 | 618 | 782 | 4 | 0.17 | 4 | 5.9 | 4 |
| 230/600CA/W33 | 230/600CAK/W33 | 600 | 870 | 200 | 6000 | 11400 | 750 | 400 | 700 | 405 | 600 | 683 | 789 | 22.3 | 12 | 6 | 623 | 847 | 5 | 0.22 | 3 | 4.6 | 2.8 |
| 240/600CA/W33 | 240/600CAK30/W33 | 600 | 870 | 272 | 8150 | 17000 | 1100 | 340 | 560 | 520 | 600 | 675 | 774 | 22.3 | 12 | 6 | 623 | 847 | 5 | 0.3 | 2.3 | 3.4 | 2.2 |
| 231/600CA/W33 | 231/600CAK/W33 | 600 | 980 | 300 | 10200 | 18000 | 1100 | 320 | 560 | 895 | 600 | 720 | 863 | 22.3 | 12 | 7.5 | 632 | 948 | 6 | 0.3 | 2.3 | 3.4 | 2.2 |
| 241/600CA/W33 | 241/600CAK30/W33 | 600 | 980 | 375 | 11500 | 23600 | 1460 | 240 | 480 | 1200 | 600 | 702 | 845 | 22.3 | 12 | 7.5 | 632 | 948 | 6 | 0.37 | 1.8 | 2.7 | 1.8 |
| 232/600CA/W33 | 232/600CAK/W33 | 600 | 1090 | 388 | 13100 | 25500 | 1560 | 260 | 400 | 1600 | 600 | 752 | 929 | 22.3 | 12 | 9.5 | 640 | 1050 | 8 | 0.35 | 1.9 | 2.9 | 1.8 |
| 238/630CAMA/W20 | 238/630CAKMA/W20 | 630 | 780 | 112 | 2190 | 6100 | 415 | 400 | 750 | 120 | 630 | 681 | 738 | – | 9 | 4 | 645 | 765 | 3 | 0.12 | 5.6 | 8.4 | 5.6 |
| 239/630CA/W33 | 239/630CAK/W33 | 630 | 850 | 165 | 4650 | 9800 | 640 | 400 | 700 | 280 | 630 | 705 | 787 | 22.3 | 12 | 6 | 653 | 827 | 5 | 0.17 | 4 | 5.9 | 4 |
| 230/630CA/W33 | 230/630CAK/W33 | 630 | 920 | 212 | 6700 | 12500 | 800 | 380 | 670 | 485 | 630 | 725 | 839 | 22.3 | 12 | 7.5 | 658 | 892 | 6 | 0.21 | 3.2 | 4.8 | 3.2 |
| 240/630ECJ/W33 | 240/630ECK30J/W33 | 630 | 920 | 290 | 8800 | 18000 | 1140 | 320 | 530 | 645 | 630 | 697 | 823 | 22.3 | 12 | 7.5 | 658 | 892 | 6 | 0.28 | 2.4 | 3.6 | 2.5 |
| Bearing number | Principal dimensions(mm) | Basic load ratingskN | Fatigue load limit Pu | Speed ratingsr/min | Weight | Dimensionsmm | Abutment and fillet dimensions mm | Calculation Factors | |||||||||||||||
|---|---|---|---|---|---|---|---|---|---|---|---|---|---|---|---|---|---|---|---|---|---|---|---|
| Cylindrical bore | Tapered bore | d | D | B | C | Co | Speed Ratings | Limiting speed | d | d2 ~ | D1 ~ | b | k | r1,2 Min | da Min | Da Max | ra max | e | Y1 | Y2 | Y0 | ||
| 231/630CA/W33 | 231/630CAK/W33 | 630 | 1030 | 315 | 10500 | 20800 | 1220 | 260 | 530 | 1050 | 630 | 755 | 918 | 22.3 | 12 | 7.5 | 662 | 998 | 6 | 0.3 | 2.3 | 3.4 | 2.2 |
| 241/630CA/W33 | 241/630CAK30/W33 | 630 | 1030 | 400 | 12700 | 27000 | 1630 | 220 | 450 | 1400 | 630 | 738 | 885 | 22.3 | 12 | 7.5 | 662 | 998 | 6 | 0.37 | 1.8 | 2.7 | 1.8 |
| 238/670CAMA/W20 | 238/670CAKMA/W20 | 670 | 820 | 112 | 2250 | 6400 | 440 | 360 | 700 | 130 | 670 | 720 | 778 | – | 9 | 4 | 685 | 805 | 3 | 0.11 | 6.1 | 9.1 | 6.3 |
| 248/670CAMA/W20 | – | 670 | 820 | 150 | 3110 | 9500 | 655 | 360 | 700 | 172 | 670 | 718 | 772 | – | 9 | 4 | 685 | 805 | 3 | 0.16 | 4.2 | 6.3 | 4 |
| 239/670CA/W33 | 239/670CAK/W33 | 670 | 900 | 170 | 5000 | 10800 | 695 | 360 | 670 | 315 | 670 | 749 | 835 | 22.3 | 12 | 6 | 693 | 877 | 5 | 0.17 | 4 | 5.9 | 4 |
| 230/670CA/W33 | 230/670CAK/W33 | 670 | 980 | 230 | 7650 | 14600 | 915 | 340 | 600 | 600 | 670 | 770 | 892 | 22.3 | 12 | 7.5 | 698 | 952 | 6 | 0.21 | 3.2 | 4.8 | 3.2 |
| 240/670CA/W33 | 240/670CAK30/W33 | 670 | 980 | 308 | 10000 | 20400 | 1320 | 300 | 500 | 790 | 670 | 756 | 866 | 22.3 | 12 | 7.5 | 698 | 952 | 6 | 0.28 | 2.4 | 3.6 | 2.5 |
| 231/670CA/W33 | 231/670CAK/W33 | 670 | 1090 | 336 | 10900 | 22400 | 1370 | 240 | 500 | 1250 | 670 | 802 | 959 | 22.3 | 12 | 7.5 | 702 | 1058 | 6 | 0.3 | 2.3 | 3.4 | 2.2 |
| 241/670CA/W33 | 241/670CAK30/W33 | 670 | 1090 | 412 | 13800 | 29000 | 1760 | 200 | 400 | 1600 | 670 | 782 | 942 | 22.3 | 12 | 7.5 | 702 | 1058 | 6 | 0.37 | 1.8 | 2.7 | 1.8 |
| 232/670CA/W33 | 232/670CAK/W33 | 670 | 1220 | 438 | 15400 | 30500 | 1700 | 220 | 360 | 2270 | 670 | 830 | 1028 | 22.3 | 12 | 12 | 718 | 1172 | 10 | 0.35 | 1.9 | 2.9 | 1.8 |
| 238/710CAMA/W20 | – | 710 | 870 | 118 | 2580 | 7500 | 500 | 340 | 670 | 153 | 710 | 762 | 826 | – | 12 | 4 | 725 | 855 | 3 | 0.11 | 6.1 | 9.1 | 6.3 |
| 239/710CA/W33 | 239/710CAK/W33 | 710 | 950 | 180 | 5600 | 12000 | 765 | 340 | 600 | 365 | 710 | 788 | 882 | 22.3 | 12 | 6 | 733 | 927 | 5 | 0.17 | 4 | 5.9 | 4 |
| 249/710CA/W33 | 249/710CAK30/W33 | 710 | 950 | 243 | 6800 | 15600 | 930 | 300 | 500 | 495 | 710 | 792 | 868 | 22.3 | 12 | 6 | 733 | 927 | 5 | 0.22 | 3 | 4.6 | 2.8 |
| 230/710CA/W33 | 230/710CAK/W33 | 710 | 1030 | 236 | 8300 | 16300 | 1000 | 320 | 560 | 670 | 710 | 814 | 941 | 22.3 | 12 | 7.5 | 738 | 1002 | 6 | 0.21 | 3.2 | 4.8 | 3.2 |
| 240/710CA/W33 | 240/710CAK30/W33 | 710 | 1030 | 315 | 9370 | 22800 | 1370 | 260 | 450 | 895 | 710 | 807 | 918 | 22.3 | 12 | 7.5 | 738 | 1002 | 6 | 0.27 | 2.5 | 3.7 | 2.5 |
| 231/710CA/W33 | 231/710CAK/W33 | 710 | 1150 | 345 | 12200 | 26000 | 1530 | 240 | 450 | 1450 | 710 | 850 | 1097 | 22.3 | 12 | 9.5 | 750 | 1110 | 8 | 0.28 | 2.4 | 3.6 | 2.5 |
| Bearing number | Principal dimensions(mm) | Basic load ratingskN | Fatigue load limit Pu | Speed ratingsr/min | Weight | Dimensionsmm | Abutment and fillet dimensions mm | Calculation Factors | |||||||||||||||
|---|---|---|---|---|---|---|---|---|---|---|---|---|---|---|---|---|---|---|---|---|---|---|---|
| Cylindrical bore | Tapered bore | d | D | B | C | Co | Speed Ratings | Limiting speed | d | d2 ~ | D1 ~ | b | k | r1,2 Min | da Min | Da Max | ra max | e | Y1 | Y2 | Y0 | ||
| 241/710CA/W33 | 241/710CAK30/W33 | 710 | 1150 | 438 | 15200 | 32500 | 1900 | 190 | 380 | 1900 | 710 | 826 | 989 | 22.3 | 12 | 9.5 | 750 | 1110 | 8 | 0.37 | 1.8 | 2.7 | 1.8 |
| 232/710CA/W33 | 232/710CAK/W33 | 710 | 1280 | 450 | 17600 | 34500 | 2000 | 200 | 320 | 2610 | 710 | 875 | 1017 | 22.3 | 12 | 12 | 758 | 1232 | 10 | 0.35 | 1.9 | 2.9 | 1.8 |
| 238/750CAMA/W20 | 238/750CAKMA/W20 | 750 | 920 | 128 | 2930 | 8500 | 550 | 320 | 600 | 180 | 750 | 807 | 873 | – | 12 | 5 | 768 | 902 | 4 | 0.11 | 6.1 | 9.1 | 6.3 |
| 239/750CA/W33 | 239/750CAK/W33 | 750 | 1000 | 185 | 6000 | 13200 | 815 | 320 | 560 | 420 | 750 | 832 | 930 | 22.3 | 12 | 6 | 773 | 977 | 5 | 0.16 | 4.2 | 6.3 | 4 |
| 249/750CA/W33 | 249/750CAK30/W33 | 750 | 1000 | 250 | 7650 | 18000 | 1100 | 280 | 480 | 560 | 750 | 830 | 916 | 22.3 | 12 | 6 | 773 | 977 | 5 | 0.22 | 3 | 4.6 | 2.8 |
| 230/750CA/W33 | 230/750CAK/W33 | 750 | 1090 | 250 | 9650 | 18600 | 1100 | 300 | 530 | 795 | 750 | 860 | 998 | 22.3 | 12 | 7.5 | 778 | 1062 | 6 | 0.21 | 3.2 | 4.8 | 3.2 |
| 240/750CA/W33 | 240/750CAK30/W33 | 750 | 1090 | 335 | 10100 | 25000 | 1460 | 240 | 430 | 1065 | 750 | 853 | 970 | 22.3 | 12 | 7.5 | 778 | 1062 | 6 | 0.28 | 2.4 | 3.6 | 2.5 |
| 231/750CA/W33 | 231/750CAK/W33 | 750 | 1220 | 365 | 13800 | 29000 | 1660 | 220 | 430 | 1700 | 750 | 900 | 1080 | 22.3 | 12 | 9.5 | 790 | 1180 | 8 | 0.28 | 2.4 | 3.6 | 2.5 |
| 241/750CA/W33 | 241/750CAK30/W33 | 750 | 1220 | 475 | 17300 | 37500 | 2160 | 180 | 360 | 2100 | 750 | 875 | 1050 | 22.3 | 12 | 9.5 | 790 | 1180 | 8 | 0.37 | 1.8 | 2.7 | 1.8 |
| 232/750CAF/W33 | 232/750CAKF/W33 | 750 | 1360 | 475 | 18700 | 36500 | 2120 | 190 | 300 | 3050 | 750 | 938 | 1163 | 22.3 | 12 | 15 | 808 | 1302 | 12 | 0.35 | 1.9 | 2.9 | 1.8 |
| 248/800CAMA/W20 | 248/800CAK30MA/W20 | 800 | 980 | 180 | 4140 | 12900 | 830 | 300 | 560 | 300 | 800 | 862 | 921 | – | 12 | 5 | 818 | 962 | 4 | 0.15 | 4.5 | 6.7 | 4.5 |
| 239/800CA/W33 | 239/800CAK/W33 | 800 | 1060 | 195 | 6400 | 14300 | 880 | 300 | 530 | 470 | 800 | 885 | 986 | 22.3 | 12 | 6 | 823 | 1037 | 5 | 0.16 | 4.2 | 6.3 | 4 |
| 249/800CA/W33 | 249/800CAK30/W33 | 800 | 1060 | 258 | 8000 | 19300 | 1060 | 260 | 430 | 640 | 800 | 883 | 973 | 22.3 | 12 | 6 | 823 | 1037 | 5 | 0.21 | 3.2 | 4.8 | 3.2 |
| 230/800CA/W33 | 230/800CAK/W33 | 800 | 1150 | 258 | 10000 | 20000 | 1160 | 280 | 480 | 895 | 800 | 915 | 1053 | 22.3 | 12 | 7.5 | 828 | 1122 | 6 | 0.2 | 3.4 | 5 | 3.2 |
| 240/800CA/W33 | 240/800CAK30/W33 | 800 | 1150 | 345 | 11100 | 28500 | 1730 | 220 | 400 | 1200 | 800 | 908 | 1028 | 22.3 | 12 | 7.5 | 828 | 1122 | 6 | 0.27 | 2.5 | 3.7 | 2.5 |
| 231/800CA/W33 | 231/800CAK/W33 | 800 | 1280 | 375 | 14800 | 31500 | 1800 | 200 | 400 | 1920 | 800 | 950 | 1141 | 22.3 | 12 | 9.5 | 840 | 1240 | 8 | 0.28 | 2.4 | 3.6 | 2.5 |
| Bearing number | Principal dimensions(mm) | Basic load ratingskN | Fatigue load limit Pu | Speed ratingsr/min | Weight | Dimensionsmm | Abutment and fillet dimensions mm | Calculation Factors | |||||||||||||||
|---|---|---|---|---|---|---|---|---|---|---|---|---|---|---|---|---|---|---|---|---|---|---|---|
| Cylindrical bore | Tapered bore | d | D | B | C | Co | Speed Ratings | Limiting speed | d | d2 ~ | D1 ~ | b | k | r1,2 Min | da Min | Da Max | ra max | e | Y1 | Y2 | Y0 | ||
| 241/800CA/W33 | 241/800CAK30/W33 | 800 | 1280 | 475 | 18400 | 40500 | 2320 | 170 | 320 | 2300 | 800 | 930 | 1111 | 22.3 | 12 | 9.5 | 840 | 1240 | 8 | 0.35 | 1.9 | 2.9 | 1.8 |
| 238/850CAMA/W20 | 238/850CAKMA/W20 | 850 | 1030 | 136 | 3340 | 10000 | 640 | 260 | 530 | 240 | 850 | 910 | 981 | – | 12 | 5 | 868 | 1012 | 4 | 0.11 | 6.1 | 9.1 | 6.3 |
| 239/850CA/W33 | 239/850CAK/W33 | 850 | 1120 | 200 | 5980 | 15600 | 930 | 260 | 480 | 560 | 850 | 940 | 1046 | 22.3 | 12 | 6 | 873 | 1097 | 5 | 0.16 | 4.2 | 6.3 | 4 |
| 249/850CA/W33 | 249/850CAK30/W33 | 850 | 1120 | 272 | 8170 | 22800 | 1370 | 220 | 400 | 740 | 850 | 940 | 1029 | 22.3 | 12 | 6 | 873 | 1097 | 5 | 0.22 | 3 | 4.6 | 2.8 |
| 230/850CA/W33 | 230/850CAK/W33 | 850 | 1220 | 272 | 9370 | 21600 | 1270 | 240 | 450 | 1050 | 850 | 969 | 1117 | 22.3 | 12 | 7.5 | 878 | 1192 | 6 | 0.2 | 3.4 | 5 | 3.2 |
| 240/850CA/W33 | 240/850CAK30/W33 | 850 | 1220 | 365 | 12700 | 31500 | 1900 | 200 | 360 | 1410 | 850 | 954 | 1088 | 22.3 | 12 | 7.5 | 878 | 1192 | 6 | 0.27 | 2.5 | 3.7 | 2.5 |
| 231/850CA/W33 | 231/850CAK/W33 | 850 | 1360 | 400 | 16100 | 34500 | 2000 | 180 | 360 | 2200 | 850 | 1010 | 1205 | 22.3 | 12 | 12 | 898 | 1312 | 10 | 0.28 | 2.4 | 3.6 | 2.5 |
| 241/850CAF/W33 | 241/850CAK30F/W33 | 850 | 1360 | 500 | 20200 | 45000 | 2550 | 150 | 300 | 2710 | 850 | 988 | 1182 | 22.3 | 12 | 12 | 898 | 1312 | 10 | 0.35 | 1.9 | 2.9 | 1.8 |
| 248/900CAMA/W20 | 248/900CAK30MA/W20 | 900 | 1090 | 190 | 4660 | 15300 | 950 | 240 | 480 | 370 | 900 | 966 | 1029 | – | 12 | 5 | 918 | 1072 | 4 | 0.14 | 4.8 | 7.2 | 4.5 |
| 239/900CA/W33 | 239/900CAK/W33 | 900 | 1180 | 206 | 6440 | 17000 | 1020 | 240 | 450 | 605 | 900 | 989 | 1101 | 22.3 | 12 | 6 | 923 | 1157 | 5 | 0.15 | 4.5 | 6.7 | 4.5 |
| 230/900CA/W33 | 230/900CAK/W33 | 900 | 1280 | 280 | 10100 | 23200 | 1340 | 220 | 400 | 1200 | 900 | 1023 | 1176 | 22.3 | 12 | 7.5 | 928 | 1252 | 6 | 0.2 | 3.4 | 5 | 3.2 |
| 240/900CA/W33 | 240/900CAK30/W33 | 900 | 1280 | 375 | 13600 | 34500 | 2040 | 190 | 340 | 1570 | 900 | 1012 | 1149 | 22.3 | 12 | 7.5 | 928 | 1252 | 6 | 0.26 | 2.6 | 3.9 | 2.5 |
| 241/900CAF/W33 | 241/900CAK30F/W33 | 900 | 1420 | 515 | 21400 | 49000 | 2700 | 140 | 280 | 3350 | 900 | 1043 | 1235 | 22.3 | 12 | 12 | 948 | 1372 | 10 | 0.35 | 1.9 | 2.9 | 1.8 |
| 239/950CA/W33 | 239/950CAK/W33 | 950 | 1250 | 224 | 7250 | 19600 | 1120 | 220 | 430 | 755 | 950 | 1049 | 1164 | 22.3 | 12 | 7.5 | 978 | 1222 | 6 | 0.15 | 4.5 | 6.7 | 4.5 |
| 249/950CA/W33 | 249/950CAK30/W33 | 950 | 1250 | 300 | 9200 | 26000 | 1500 | 180 | 340 | 1015 | 950 | 1051 | 1150 | 22.3 | 12 | 7.5 | 978 | 1222 | 6 | 0.21 | 3.2 | 4.8 | 3.2 |
| 230/950CA/W33 | 230/950CAK/W33 | 950 | 1360 | 300 | 12000 | 28500 | 1600 | 200 | 380 | 1450 | 950 | 1083 | 1246 | 22.3 | 12 | 7.5 | 978 | 1332 | 6 | 0.2 | 3.4 | 5 | 3.2 |
| Bearing number | Principal dimensions(mm) | Basic load ratingskN | Fatigue load limit Pu | Speed ratingsr/min | Weight | Dimensionsmm | Abutment and fillet dimensions mm | Calculation Factors | |||||||||||||||
|---|---|---|---|---|---|---|---|---|---|---|---|---|---|---|---|---|---|---|---|---|---|---|---|
| Cylindrical bore | Tapered bore | d | D | B | C | Co | Speed Ratings | Limiting speed | d | d2 ~ | D1 ~ | b | k | r1,2 Min | da Min | Da Max | ra max | e | Y1 | Y2 | Y0 | ||
| 240/950CAF/W33 | 240/950CAK30F/W33 | 950 | 1360 | 412 | 14800 | 39000 | 2320 | 170 | 300 | 1990 | 950 | 1074 | 1214 | 22.3 | 12 | 7.5 | 978 | 1332 | 6 | 0.27 | 2.5 | 3.7 | 2.5 |
| 241/950CAF/W33 | 241/950CAK30F/W33 | 950 | 1500 | 545 | 23900 | 55000 | 3000 | 130 | 260 | 3535 | 950 | 1102 | 1305 | 22.3 | 12 | 12 | 998 | 1452 | 10 | 0.35 | 1.9 | 2.9 | 1.8 |
| 238/1000CAMA/W20 | 238/1000CAKMA/W20 | 1000 | 1220 | 165 | 4660 | 14300 | 865 | 220 | 400 | 410 | 1000 | 1077 | 1161 | – | 12 | 6 | 1023 | 1197 | 5 | 0.12 | 5.6 | 8.4 | 5.6 |
| 249/1000CA/W33 | 249/1000CAK30/W33 | 1000 | 1320 | 315 | 10400 | 29000 | 1500 | 170 | 320 | 1200 | 1000 | 1106 | 1212 | 22.3 | 12 | 7.5 | 1028 | 1292 | 6 | 0.21 | 3.2 | 4.8 | 3.2 |
| 230/1000CAF/W33 | 230/1000CAKF/W33 | 1000 | 1420 | 308 | 12700 | 30500 | 1700 | 180 | 360 | 1600 | 1000 | 1139 | 1305 | 22.3 | 12 | 7.5 | 1028 | 1392 | 6 | 0.19 | 3.6 | 5.3 | 3.6 |
| 240/1000CAF/W33 | 240/1000CAK30F/W33 | 1000 | 1420 | 412 | 15400 | 40500 | 2240 | 160 | 280 | 2140 | 1000 | 1133 | 1278 | 22.3 | 12 | 7.5 | 1028 | 1392 | 6 | 0.26 | 2.6 | 3.9 | 2.5 |
| 231/1000CAF/W33 | 231/1000CAKF/W33 | 1000 | 1580 | 462 | 21400 | 48000 | 2550 | 140 | 280 | 3500 | 1000 | 1182 | 1403 | 22.3 | 12 | 12 | 1048 | 1532 | 10 | 0.28 | 2.4 | 3.6 | 2.5 |
| 241/1000CAF/W33 | 241/1000CAK30F/W33 | 1000 | 1580 | 580 | 26700 | 62000 | 3350 | 120 | 240 | 4300 | 1000 | 1159 | 1373 | 22.3 | 12 | 12 | 1048 | 1532 | 10 | 0.35 | 1.9 | 2.9 | 1.8 |
| 238/1060CAMA/W20 | 238/1060CAKMA/W20 | 1060 | 1280 | 165 | 4770 | 15000 | 800 | 200 | 380 | 435 | 1060 | 1135 | 1219 | – | 12 | 6 | 1083 | 1257 | 5 | 0.11 | 6.1 | 9.1 | 6.3 |
| 248/1060CAMA/W20 | 248/1060CAK30MA/W20 | 1060 | 1280 | 218 | 6100 | 20000 | 1200 | 200 | 380 | 570 | 1060 | 1135 | 1210 | – | 12 | 6 | 1083 | 1257 | 5 | 0.14 | 4.8 | 7.2 | 4.5 |
| 239/1060CAF/W33 | 239/1060CAKF/W33 | 1060 | 1400 | 250 | 9550 | 26000 | 1460 | 180 | 360 | 1100 | 1060 | 1171 | 1305 | 22.3 | 12 | 7.5 | 1088 | 1372 | 6 | 0.16 | 4.2 | 6.3 | 4 |
| 249/1060CAF/W33 | 249/1060CAK30F/W33 | 1060 | 1400 | 335 | 11500 | 32500 | 1860 | 160 | 280 | 1400 | 1060 | 1165 | 1286 | 22.3 | 12 | 7.5 | 1088 | 1372 | 6 | 0.21 | 3.2 | 4.8 | 3.2 |
| 230/1060CAF/W33 | 230/1060CAKF/W33 | 1060 | 1500 | 325 | 13800 | 34000 | 1830 | 170 | 320 | 2250 | 1060 | 1202 | 1378 | 22.3 | 12 | 9.5 | 1094 | 1466 | 8 | 0.19 | 3.6 | 5.3 | 3.6 |
| 240/1060CAF/W33 | 240/1060CAK30F/W33 | 1060 | 1500 | 438 | 17300 | 45500 | 2500 | 150 | 260 | 2515 | 1060 | 1196 | 1349 | 22.3 | 12 | 9.5 | 1094 | 1466 | 8 | 0.26 | 2.6 | 3.9 | 2.5 |
| 248/1120CAFA/W20 | 248/1120CAK30FA/W20 | 1120 | 1360 | 243 | 7250 | 24000 | 1400 | 180 | 340 | 735 | 1120 | 1202 | 1282 | – | 12 | 6 | 1143 | 1337 | 5 | 0.15 | 4.5 | 6.7 | 4.5 |
| 249/1120CAF/W33 | 249/1120CAK30F/W33 | 1120 | 1460 | 335 | 11700 | 34500 | 1830 | 140 | 260 | 1500 | 1120 | 1230 | 1350 | 22.3 | 12 | 7.5 | 1148 | 1432 | 6 | 0.2 | 3.4 | 5 | 3.2 |
| Bearing number | Principal dimensions(mm) | Basic load ratingskN | Fatigue load limit Pu | Speed ratingsr/min | Weight | Dimensionsmm | Abutment and fillet dimensions mm | Calculation Factors | |||||||||||||||
|---|---|---|---|---|---|---|---|---|---|---|---|---|---|---|---|---|---|---|---|---|---|---|---|
| Cylindrical bore | Tapered bore | d | D | B | C | Co | Speed Ratings | Limiting speed | d | d2 ~ | D1 ~ | b | k | r1,2 Min | da Min | Da Max | ra max | e | Y1 | Y2 | Y0 | ||
| 240/1120CAF/W33 | 240/1120CAK30F/W33 | 1120 | 1580 | 462 | 18700 | 50000 | 2850 | 130 | 240 | 2925 | 1120 | 1266 | 1423 | 22.3 | 12 | 9.5 | 1154 | 1546 | 8 | 0.26 | 2.6 | 3.9 | 2.5 |
| 238/1180CAFA/W20 | 238/1180CAKFA/W20 | 1180 | 1420 | 180 | 5870 | 18600 | 1080 | 170 | 320 | 575 | 1180 | 1261 | 1355 | – | 12 | 6 | 1203 | 1397 | 5 | 0.11 | 6.1 | 9.1 | 6.3 |
| 248/1180CAFA/W20 | 248/1180CAK30FA/W20 | 1180 | 1420 | 243 | 7710 | 27000 | 1560 | 170 | 320 | 770 | 1180 | 1268 | 1344 | – | 12 | 6 | 1203 | 1397 | 5 | 0.14 | 4.8 | 7.2 | 4.5 |
| 239/1180CAF/W33 | 239/1180CAKF/W33 | 1180 | 1540 | 272 | 11100 | 31000 | 1660 | 150 | 300 | 1400 | 1180 | 1298 | 1439 | 22.3 | 12 | 7.5 | 1208 | 1512 | 6 | 0.16 | 4.2 | 6.3 | 4 |
| 249/1180CAF/W33 | 249/1180CAK30F/W33 | 1180 | 1540 | 355 | 13600 | 40500 | 2160 | 130 | 240 | 1800 | 1180 | 1303 | 1422 | 22.3 | 12 | 7.5 | 1208 | 1512 | 6 | 0.2 | 3.4 | 5 | 3.2 |
| 230/1250CAF/W33 | 230/1250CAKF/W33 | 1250 | 1750 | 375 | 17900 | 45000 | 2400 | 130 | 240 | 2840 | 1250 | 1411 | 1611 | 22.3 | 12 | 9.5 | 1284 | 1716 | 8 | 0.19 | 3.6 | 5.3 | 3.6 |
| 248/1320CAFA/W20 | 248/1320CAK30FA/W20 | 1320 | 1600 | 280 | 9780 | 33500 | 1860 | 140 | 260 | 1160 | 1320 | 1417 | 1511 | – | 12 | 6 | 1343 | 1577 | 5 | 0.15 | 4.5 | 6.7 | 4.5 |
| 249/1320CAF/W33 | 249/1320CAK30F/W33 | 1320 | 1720 | 400 | 16100 | 49000 | 2550 | 110 | 200 | 2500 | 1320 | 1445 | 1589 | 22.3 | 12 | 7.5 | 1348 | 1692 | 6 | 0.21 | 3.2 | 4.8 | 3.2 |
| 248/1500CAFA/W20 | 248/1500CAK30FA/W20 | 1500 | 1820 | 315 | 12700 | 45000 | 2400 | 110 | 200 | 1710 | 1500 | 1612 | 1719 | – | 12 | 7.5 | 1528 | 1792 | 6 | 0.15 | 4.5 | 6.7 | 4.5 |
| 248/1800CAFA/W20 | 248/1800CAK30FA/W20 | 1800 | 2180 | 375 | 17600 | 63000 | 3050 | 75 | 130 | 2900 | 1800 | 1932 | 2060 | – | 12 | 9.5 | 1834 | 2146 | 8 | 0.15 | 4.5 | 6.7 | 4.5 |
Request Informations
Wanting more information about MBY? Contact us now! Tell us your need and we will contact with you within 24 hours.
© Copyright 2006-2024 Wuxi MBY Bearing Technology Co.,Ltd